Industrial

Syrian Opera s house

Client: Syrian Opera s house

Start Date: 2010-04-24

Location: Omayyad Square / Damascsus

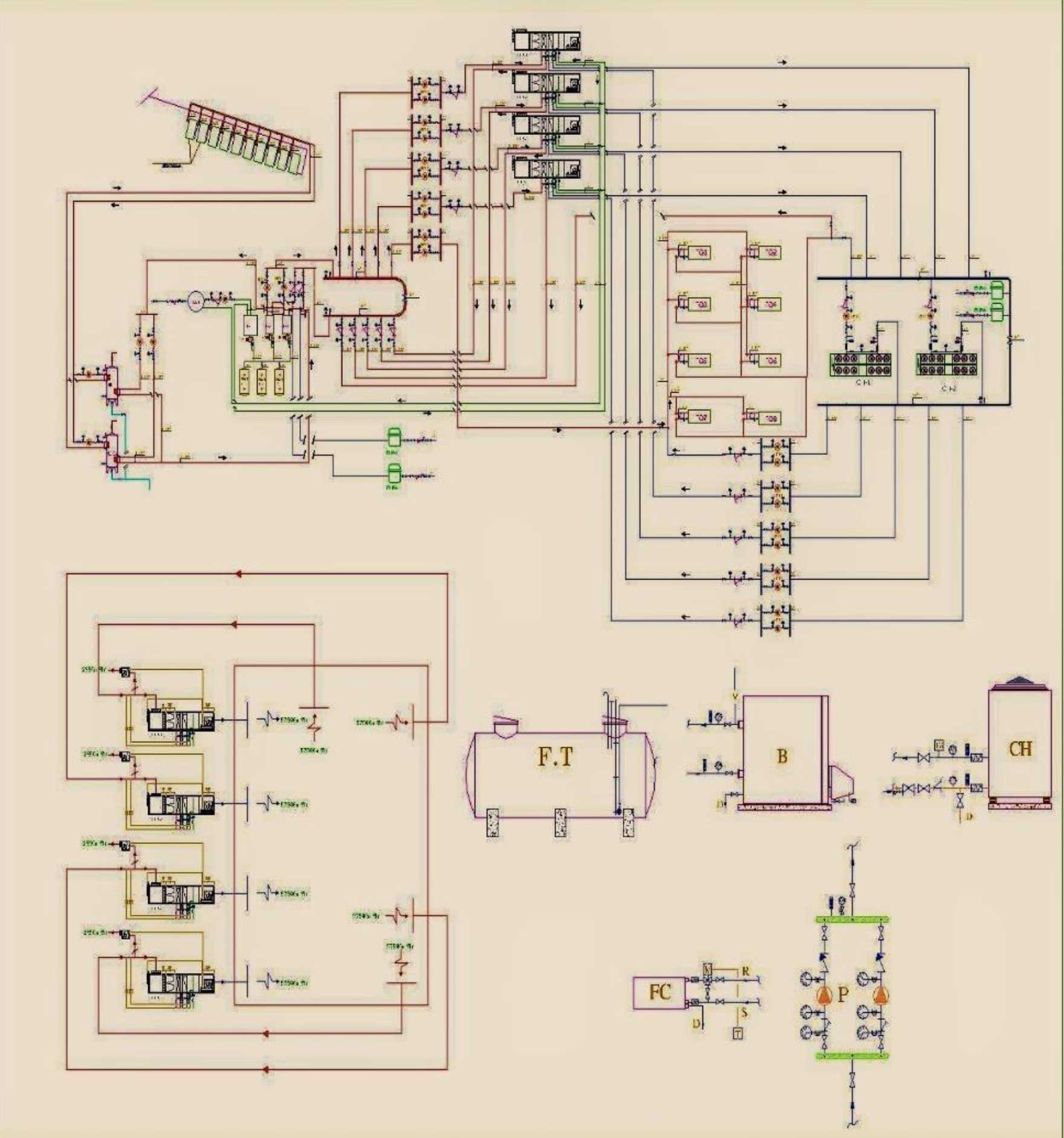
Syrian Opera House – central cooling plant is a highly specialized HVAC installation designed to support the demanding environmental requirements of performance halls, rehearsal rooms,...

Sheraton Damascus

Client: Sheraton Damascus

Start Date: 2010-05-11

Location: Omayyad Square / Damascsus

Sheraton Damascus riverfront utilities upgrade is a specialized MEP project that modernizes the hotel’s cooling and services infrastructure while enhancing its urban setting along the...

Printing general Corporation

Client: Palm Village Resort

Start Date: 2010-01-15

Location: Adraa- Damascus Contry Side

Printing General Corporation’s central utilities plant is engineered to provide all critical services required for high-performance printing lines—steam, hot water, chilled water, compressed air, and...

Omar Field – Block 5

Client: Omar Field - Block 5

Start Date: 2009-02-10

Location: Omar Field / Deer Al Zoor

Omar Field – Block 5 is a compact two-storey facility designed with a deliberately simple, robust architecture suitable for remote field conditions. The building is...

Omar Field – Accommodation&Offices

Client: Omar Field - Accommodation&Offices

Start Date: 2004-03-13

Location: Omar Field / Deer Al Zoor

Omar Field Operations Building is a compact, single-storey facility designed to support administrative and technical activities within a remote oil and gas field. The architecture...

North Middle Area Gas Exploitation Project

Client: North Middle Area Gas Exploitation Project

Start Date: 2002-05-24

Location: Daraa ST - Damascus

North Middle Area Gas Exploitation Project is a remote desert gas facility designed to receive, treat, and export production from multiple wells under harsh environmental...

Statistics

95%

Customer Satisfaction

98%

Delivery Accuracy

97%

Adherence To Deadlines

99.4%

Compliance with specifications

WHAT SETS US APART

Four pillars of our engineering excellence and service delivery.

Engineering Integrity

Engineering
Integrity

Engineering Integrity

Designs grounded in codes (ASHRAE, NFPA, IEC) and clarified by calculations, selectivity studies, and coordinated drawings. Quality, safety, and accountability are embedded in every stage.

End-to-End Delivery

End-to-End
Delivery

End-to-End Delivery

One accountable team from concept to commissioning: detailed design, supply, installation, testing/balancing, and handover—aligned through clear schedules, risks, and KPIs.

Proven Portfolio

Proven
Portfolio

Proven Portfolio

Diverse projects across sectors with repeat clients and consultant partnerships. We scale resources responsibly while protecting cost, time, and performance targets.

Smart Controls & BMS

Smart Controls
& BMS

Smart Controls & BMS

Open-protocol BMS/DDC integrating HVAC, electrical, and utilities; analytics, alarms, and trending enable transparent operations and measurable efficiency gains.